Amplificatori operazionali e sistemi in retroazione

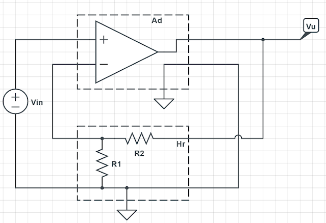
I circuiti realizzati con l'utilizzo di un amplificatore operazionale con funzione propria (e non , ad esempio, come comparatore) sono quasi tutti costruiti circuitalmente come sistemi con retroazione negativa. Infatti, l'ingresso differenziale può essere visto come il segnale di errore che prende la differenza tra un segnale di ingresso in tensione e l'uscita di un blocco di retroazione che prende in ingresso, ovviamente, l'uscita dell'operazionale. Il tutto è mostrato in figura 1. 

Figura 1: circuito in retroazione con operazionale.

Nella suddetta figura si individuano Vi e Vu rispettivamente tensione di ingresso e tensione di uscita, Vd la tensione differenziale in ingresso all'operazionale, Ad il guadagno differenziale reale (a banda limitata e con guadagno definito e Hr la f.d.t. del blocco in retroazione.

I circuiti analizzati con un operazionale ideale in regione di alto guadagno hanno dimostrato che, seguendo il principio del cortocircuito virtuale, il guadagno di tensione tra ingresso e uscita dipende unicamente dal circuito di retroazione. Questo per la condizione di desensibilizzazione totale, secondo cui il guadagno infinito e la banda illimitata di un operazionale ideale fanno in modo che l’uscita non dipenda dai parametri dell’operazionale.

Nella realtà, a frequenze basse/in continua questo fenomeno è ancora valido, tuttavia alle alte frequenze l’effetto della banda limitata e del guadagno definito è evidente. Si consideri, come esempio, il circuito amplificatore non invertente (figura 2).

Figura 2: amplificatore non invertente.

In prima osservazione, possiamo definire l’ amplificatore e la coppia di resistori come due doppi bipoli, collegati in serie all’ingresso e in parallelo all’uscita (figura 3).

Figura 3: circuito amp. Non invertente in configurazione doppi bipoli.

Ora si supponga che l'operazionale abbia una funzione di trasferimento Ad caratterizzata da un guadagno costante Ad0 e un singolo polo, quindi una f.d.t. del primo ordine. La rete di retroazione è reale ed è un partitore resistivo.

La funzione di trasferimento del blocco di retroazione viene calcolata come il rapporto tra la tensione sul terminale non invertente e la tensione sul terminale di uscita.
La funzione di trasferimento associata al sistema è dunque:
Il diagramma di Bode associato al modulo (guadagno) è mostrato in figura 4:
Figura 4: Diagramma di Bode del guadagno dell'operazionale non invertente.

In verde è rappresentato il diagramma della funzione di trasferimento del sistema in toto, in blu quella dell'operazionale in anello aperto. Quello che appare, prima di tutto, è che il guadagno del circuito, alle basse frequenze, dipende unicamente dalla rete di retroazione e non dal guadagno intrinseco dell'operazionale. Anche se non è più valido il principio del cortocircuito virtuale, in quanto la tensione differenziale non è totalmente nulla, il guadagno rimane lo stesso.
Il polo del sistema in retroazione è calcolato tenendo costante il GBW, il prodotto guadagno - larghezza di banda:

Allo stesso modo si potrebbe ragionare per l'amplificatore invertente (figura 5), per il quale è necessario procedere in un altro modo:
Figura 5: circuito amplificatore invertente.

Si consideri l'amplificatore descritto ancora dalla funzione di trasferimento del primo ordine. La rete di retroazione è ancora reale, essendo composta di due sole resistenze.
A partire dalla funzione di trasferimento dell'operazionale,
si deve procedere come segue

L'amplificatore invertente è formato dal sistema in retroazione più un blocco H1 reale formato dalle due resistenze.

Alle basse frequenze, la funzione di trasferimento può essere ridotta quindi a 
dimostrando ancora la validità delle espressioni ottenute nel calcolo del guadagno dell'operazionale in DC. 

In conclusione, a basse frequenze l'amplificatore operazionale lavora ancora in desensibilizzazione, ossia il guadagno dipende unicamente dalla rete di retroazione, ma entro certi limiti legati alle non-idealità. Inoltre, l'allargamento della banda passante consente di mantenere un guadagno costante e "desensibilizzato" per segnali a frequenze maggiori. L'operazionale senza retroazione, quindi in anello aperto, avrebbe un guadagno maggiore, ma una banda notevolmente ridotta.


Come è possibile ottenere l'ampiezza del segnale in uscita a un amplificatore operazionale con retroazione, nota la frequenza?

  1. Occorre calcolare il modulo della funzione di trasferimento del circuito alla frequenza desiderata

  2. si moltiplica il valore ottenuto per il modulo del fasore del segnale di ingresso, corrispondente solitamente al valore massimo:
Per ottenere la fase a frequenza nota, invece, occorre solamente sommare la fase del segnale in ingresso alla fase della funzione di trasferimento alla frequenza nota.

Commenti

Post popolari in questo blog

Convertitore di impedenza di Antoniou - simulatore di induttanza riferita a massa

Giunzione pn - analisi all'equilibrio(6)

Circuiti con diodo - prima parte (9)