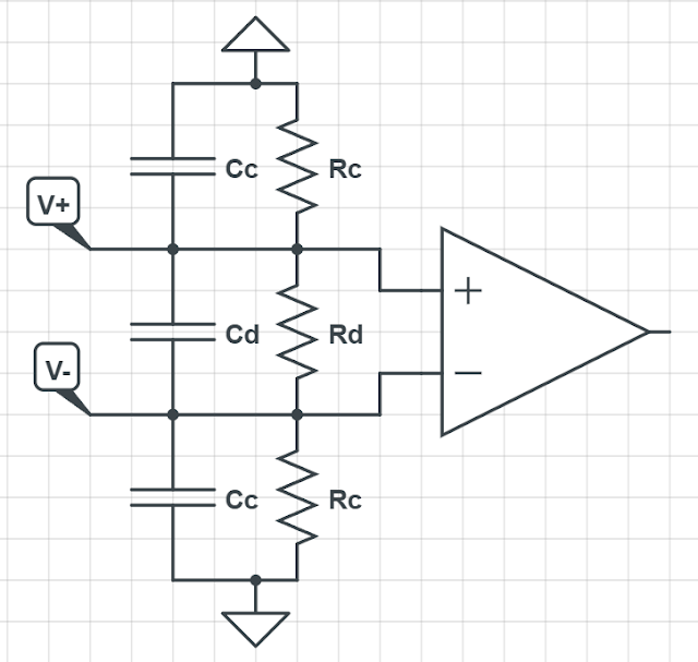
L’amplificatore operazionale reale e commerciale è stato modellizzato con un ingresso differenziale costituito da una resistenza di modo differenziale, connessa tra i terminali invertente e non invertente, e una coppia di resistenze di modo comune, connesse ognuna tra il proprio terminale e la massa. Un nuovo componente passivo, tuttavia, compare tra le non-idealità. SI tratta di una capacità di modo differenziale e una coppia di capacità di modo comune, connesse in parallelo alle resistenze dello stesso tipo (figura 1).
 |
| Figura 1: capacità di modo differenziale e comune in un opamp. |
La capacità di ingresso di un amplificatore operazionale è un parametro che rappresenta la capacità parassita associata ai terminali di ingresso dell'op-amp. Questa capacità può influenzare le prestazioni del circuito, in particolare a frequenze elevate o in applicazioni dove è necessaria un'elevata precisione.
All'ingresso di un amplificatore operazionale, dunque, si hanno delle vere e proprie impedenze. Un parallelo tra impedenza reattiva di tipo capacitivo è una resistiva.
Il percorso che deve seguire la corrente in ingresso ai due terminali è descritta dalle seguenti leggi ai nodi:
Effetti sulla stabilità della capacità di ingresso
La capacità di ingresso influisce in modo non trascurabile sulla stabilità del circuito, specialmente in retroazione. Si consideri un semplice circuito amplificatore non invertente. Le resistenze di ingresso si considerino interne all'operazionale e le capacità esterne (figura 2).
 |
Figura 2: circuito opamp non invertente con capacità di ingresso.
|
Nello studio della stabilità, il generatore di tensione viene posto a massa. Il circuito di retroazione si riduce come mostrato in figura 3.
 |
| Figura 3: Bipolo in retroazione con capacità di ingresso. |
La rete di retroazione non è più costante al variare delle frequenze, ma contiene un polo. Sia R1 = R e R2 = R(k-1) e le capacità di ingresso, essendo in parallelo, hanno una capacità equivalente pari alla somma delle due. Cin = Cc + Cd.
La funzione di trasferimento è:
Tenendo invariata la f.d.t. in anello aperto dell'amplificatore operazionale, la funzione del blocco di retroazione introduce un polo. In figura 4, si osserva il diagramma di bode della f.d.t. dell'operazionale a singolo polo e l'inverso della f.d.t. del bipolo di retroazione, mostrando tre casi.
 |
| Figura 4: diagramma di Bode con tre diversi casi della f.d.t. di retroazione. |
- Nel caso A, la frequenza di transizione del guadagno di anello sarebbe troppo ridotta rispetto a quella del guadagno in anello aperto. Questo potrebbe generare instabilità portando a un margine di fase inferiore a 45°;
- nei casi B e C la frequenza di transizione del guadagno di anello non risentirebbe di particolari ripercussioni legate al polo retroazionato.
In figura 5 è mostrato il diagramma delle ampiezze del guadagno di anello del circuito. Il caso B potrebbe essere una prima eventuale soluzione, infatti se si cerca un margine di fase maggiore di 45°, la frequenza del polo retroazionato
deve essere maggiore o uguale alla frequenza di transizione |
| Figura 5: guadagno di anello nei tre casi di polo retroazionato. |
Nel dominio del tempo, tuttavia, la capacità di ingresso ha un suo effetto, poco gradito, che è quello di far oscillare la tensione di uscita prima di stabilizzarsi al valore ricercato. In figura 6 vi è un esempio calcolato con LTSpice:
 |
| Figura 6: simulazione LTSpice con opamp ADA4627. |
In questa simulazione, si è scelta una resistenza pari a 100k e un coefficiente K = 9. L'uscita oscilla poiché ci troviamo in una situazione simile al caso A. Il margine di fase si aggira attorno ai 12°.
La prima
soluzione potrebbe essere quella di ridurre il valore delle resistenze. Già a 1k, l'oscillazione è pressoché scomparsa (figura 7).
 |
| Figura 7: overshoot assente. |
Inserimento di una capacità di stabilizzazione
La seconda soluzione al problema dell'oscillazione dell'uscita può essere quella di
inserire una capacità in parallelo tra il terminale di uscita e il terminale non invertente dell'operazionale, in modo da aggiungere uno zero alla funzione di trasferimento del blocco di retroazione . Il circuito è mostrato in figura 8.
 |
| Figura 8: capacità di stabilizzazione nel blocco di retroazione. |
In figura 9, invece, vi è una rappresentazione temporale dell'uscita con l'inserimento di una capacità di stabilizzazione che varia tra i 10 pF e i 100 nF.
 |
| Figura 9: segnale di uscita con capacità di stabilizzazione. |
Gli effetti sono già visibili dal grafico in basso della figura 9. Al crescere della capacità, ciononostante, il tempo di assestamento necessario a raggiungere il valore di uscita desiderato cresce.
Il comportamento in frequenza della capacità di stabilizzazione è mostrato nel diagramma di bode di figura 10:
 |
| Figura 10: in alto la f.d.t. del blocco in retroazione con capacità di stabilizzazione diverse, in basso la f.d.t. dell'operazionale. |
Il blocco di retroazione, con la capacità di stabilizzazione pari a 1 pF (in rosso, grafico superiore figura 10), ha un guadagno pressoché costante, e porta a mantenere il margine di fase superiore a 45° come richiesto.
In conclusione, la capacità di stabilizzazione aiuta a mantenere un margine di fase superiore a 45 gradi e ad evitare overshoot (oscillazioni) nel segnale di uscita.
Commenti
Posta un commento